工业缝纫机维修问答-缝纫客

标题: 980电脑圆头锁眼机的维修 [打印本页]

作者: 机修师傅    时间: 2016-5-25 14:52
标题: 980电脑圆头锁眼机的维修
针杆高度的调整
内摆时机针从下死点向上提升,当左弯针1的梭尖与机针2的中心一致时,针孔上端与左弯针梭尖下端的标准距离是2.5mm。如不正确,松开针杆拱座的夹紧螺钉调整针杆的高度(图1)。


针杆同心度与弯针座的调整
机器使用很长一段时间后,各个部件都会出现不同程度的磨损,除了更换磨损件之外还要对机器进行必要的调整。比如针杆同心度与弯针座发生偏移而造成的跳针故障。先关掉电源开关,转动手轮,让针杆摆到内针时,仔细观察弯针与机针的间隙在90°、180°、270°三个位置是否存在差异。若间隙不一致,必须调整针杆与弯针座的同心度。稍微松开针杆轴承压盖上的3个紧固螺钉2(图2),根据针杆在不同角度与弯针的间隙大小,轻轻移动针杆轴承1,然后暂将螺钉紧固,用手转动弯针座观察在90°、180°、270°时弯针与机针的间隙是否符合标准。当调整弯针座转到任何角度,弯针与机针的间隙都相同时,然后再将3个紧固螺钉拧紧。

机针与弯针间隙的调整
针杆高度和针杆同心度调整好了以后,接着就应检查机针与弯针的间隙是否正确。松开螺钉1调整弯针(图3),把弯针与机针的间隙调整到0.05~0.2mm内。左右弯针的勾线时间基本是相同的,有时我们的思路不妨灵活一点,在围绕标准的基础上也可让左弯针勾线略迟一点、右弯针勾线略早一点。

分线叉安装位置的调整
分线叉的安装和调整,必须小心谨慎。如调整不当,轻则引起跳针、断针故障,重则会损坏零件。调整方法:旋松夹紧螺钉7,调整分线叉阻挡器右8(图4),使分线叉的梭尖与右弯针6的梭尖相一致。安装时注意左、右分线叉不得分别凸出左、右弯针。

分线叉工作时间的调整
分线叉开、关的时间一定要符合标准。调整得过早或过迟,轻则会造成断机针和跳针现象,重则会造成弯针和分线叉损坏。具体标准是机针从分线叉背部经过时不接触分线叉,但是要有一定的间隙,总之要达到分线叉不夹机针,左右分线叉打开与关闭的时间相等,但使用过一段时间的机器,因拨线板的磨损间隙会变小些。调整方法:立起缝纫机,旋松夹紧螺钉1和螺母2(图5),用小螺丝刀转动调整螺钉3进行调整,边观察边调整,调整正确后锁紧螺母2和夹紧螺钉1,准确无误后方可试机。

LED显示屏出现E-76
显示E-76故障属剪上线装置不动作或剪线气缸传感器安装位置不当所致;一般出现在缝纫结束后切布刀切布前机器突然停止工作。
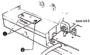
1、首先关掉电源,检查压缩空气是否有0.4Mpa的压力。其次检查电磁阀动作是否灵活。否则应对电磁阀进行清洗,并正确安装。为提高压缩空气质量,建议对压缩气路安装油水分离器、过滤器、干燥箱等。防止压缩空气管道内有水垢、油泥等堵塞管道。还要对排气阀的排气量大小进行调整,过度节气也会出现E-76故障。通常排气旋钮的标准高度是10.5mm。如图1所示

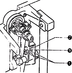
2、剪上线气缸工作是否正常,气缸是否有漏气现象,气缸上面的磁性传感器在待机状态时是否亮灯,如果传感器灯是熄灭的,可松开传感器夹紧螺钉3,前后微调传感器2(图2),如果还是不亮灯,那就得检查线路和传感器是否完好。

LED显示屏显示E-51、E-81
显示E-51故障属Y轴送布传感器工作异常所致。
显示E-81故障一般出现在缝纫前机器便停止工作。
1、待机状态下Y送布传感器的灯应是亮着的,如果不亮灯,首先用气枪吹掉传感器上的灰尘,其次就得调整Y轴送布传感器的位置(图3),松开两个螺钉1,按箭头方向微调传感器安装板2,调到亮灯即可。如果还是不亮灯,那么就用万用表测量传感器线路有否断开,检修线路或更换传感器。

2、轻轻推动拖布板,感觉拖布板在Y轴送布方向是否有阻力。如果有的话,就得检查Y轴润滑是否良好、同步带和齿轮的凹槽内是否积尘太多,假如凹槽内积尘较多,应将凹槽内积尘清扫干净,然后再检查齿轮轴轴承是否因缺油而出现“死点”现象,清洗轴承或更换轴承,同时检查Y轴同步带的张力,一定要让同步带有微量的松动。
LED显示屏显示E-10、E-71
显示E-10故障属同步器调整不良,缝纫机运转中机针位信号无法正确监测所致。
显示E-71故障现象为停针位不准。
1、首先关掉电源开关,检查V型皮带,如图4中的1、2两根皮带是否磨损或被油污浸泡而松弛变形,根据情况更换皮带或将张力大小调整适当。

2、检查同步器是否太脏,擦去同步器上的灰尘、油污并正确安装。同时还要检查同步器线路接触是否良好。





作者: AY339    时间: 2016-5-25 15:39
谢谢分享学习中
作者: 梁启红    时间: 2016-5-25 18:06
学习、学习,感谢分享。
作者: benny    时间: 2016-6-1 02:05
感谢分享,顶起
作者: w773637762    时间: 2016-6-1 07:55
谢谢分享好经验
作者: 2974173040    时间: 2016-12-31 06:14
路过看看,学习学习
作者: 1204881970    时间: 2017-1-25 21:46
路过的学习学习,谢谢分享
作者: 2567306956    时间: 2017-1-29 17:59
感谢分享.




欢迎光临 工业缝纫机维修问答-缝纫客 (http://www.frk123.com/wenda/) Powered by Discuz! X3.3