缝纫客维修问答
工业缝纫机维修,机修工问答
缝纫客APP
(安卓)

  找回密码
 立即注册
扫二维码加客服微信 缝纫客(缝纫客QQ群:754889794)
楼主: 员在WSK
打印 上一主题 下一主题

[维修经验] 霍尔传感器检测方法(电控基础)

[复制链接]
21#
发表于 2013-8-31 13:03:33 | 只看该作者

学习了,谢谢分享
回复 支持 反对

使用道具 举报

22#
发表于 2013-8-31 15:58:18 手机论坛 | 只看该作者
好好学习天天向上
回复 支持 反对

使用道具 举报

23#
发表于 2013-9-6 14:21:20 | 只看该作者
有图有真相 学习了
回复 支持 反对

使用道具 举报

24#
 楼主| 发表于 2013-9-6 16:09:42 | 只看该作者
大家互相学习,共同进步.还有一点大家要注意的是看见"三个脚"就叫三极管是误解的.要看型号查资料
回复 支持 反对

使用道具 举报

25#
发表于 2013-10-17 23:42:57 | 只看该作者
好好学习,感谢分享
回复 支持 反对

使用道具 举报

26#
发表于 2013-10-18 07:57:58 | 只看该作者

学习学习
回复 支持 反对

使用道具 举报

27#
发表于 2013-10-18 09:48:41 | 只看该作者
非常感谢楼主的奉献精神,那么好的资料加说明,还是有些师傅不满意,要想看懂不是一件容易的事,必须有一定的电控基础方可理解。【给楼主配个图】

u=3131506707,400057155&fm=23&gp=0.jpg (22.91 KB, 下载次数: 481)

u=3131506707,400057155&fm=23&gp=0.jpg

点评

谢谢你的配图和认可回复..改变R L阻电阻值.或接触不良会造成控制不良.  详情 回复 发表于 2013-10-18 18:14
回复 支持 反对

使用道具 举报

28#
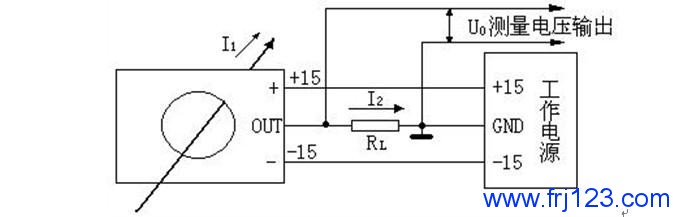
发表于 2013-10-18 13:25:13 | 只看该作者
   这样的图能帮到你们吗?

点评

这样的图能帮到你们吗?  详情 回复 发表于 2013-10-19 12:51
我看未必,不明白的还是不明,明白的不用看图。  详情 回复 发表于 2013-10-18 16:27
我看未必,不明白的还是不明,明白的不用看图。  详情 回复 发表于 2013-10-18 16:23
回复 支持 反对

使用道具 举报

29#
发表于 2013-10-18 16:23:38 | 只看该作者
李文 发表于 2013-10-18 13:25
这样的图能帮到你们吗?

我看未必,不明白的还是不明,明白的不用看图。
回复 支持 反对

使用道具 举报

30#
发表于 2013-10-18 16:27:04 | 只看该作者
李文 发表于 2013-10-18 13:25
这样的图能帮到你们吗?

我看未必,不明白的还是不明,明白的不用看图。

点评

你说是对的 ,但是对不明白的来说没有图他们更不明白!  详情 回复 发表于 2013-10-19 08:51
回复 支持 反对

使用道具 举报

您需要登录后才可以回帖 登录 | 立即注册

本版积分规则

QQ|小黑屋|手机论坛|Archiver|缝纫客,工业缝纫机维修问答

GMT+8, 2025-11-16 20:40 , Processed in 0.065944 second(s), 14 queries , File On.

Powered by Discuz! X3.3

© 2001-2017 Comsenz Inc.

快速回复 返回顶部 返回列表