缝纫客维修问答
工业缝纫机维修,机修工问答
缝纫客APP
(安卓)

  找回密码
 立即注册
扫二维码加客服微信 缝纫客(缝纫客QQ群:754889794)
查看: 3266|回复: 2
打印 上一主题 下一主题

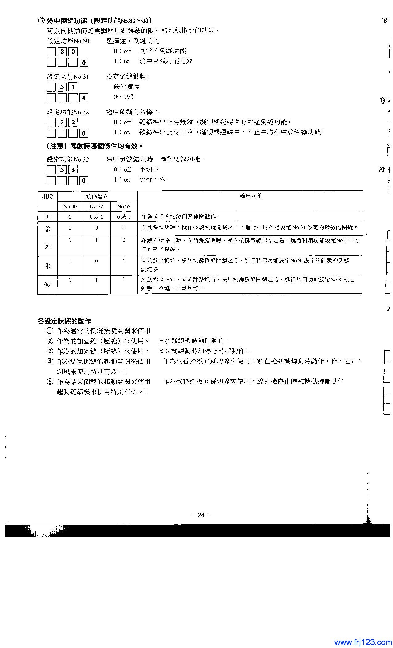
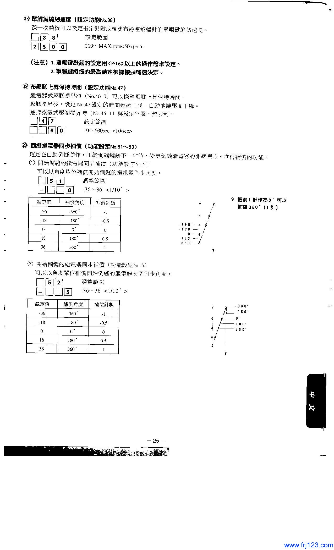
SC-910使用说明书

[复制链接]
跳转到指定楼层
楼主
发表于 2014-5-31 22:33:52 | 只看该作者 |只看大图 回帖奖励 |倒序浏览 |阅读模式
本帖最后由 阿明817 于 2014-6-1 12:36 编辑

sc-910使用说明书

照片.jpg (578.13 KB, 下载次数: 1401)

http://frj123.com/bbs/forum.php?mod=image&aid=17399&size=300x300&key=375fef8036b0983f&nocache=yes&ty ...

http://frj123.com/bbs/forum.php?mod=image&aid=17399&size=300x300&key=375fef8036b0983f&nocache=yes&ty ...

照片 036.jpg (49.53 KB, 下载次数: 1447)

dom=L1tmZ

dom=L1tmZ

照片 035.jpg (363.68 KB, 下载次数: 1351)

http://frj123.com/bbs/forum.php?mod=image&aid=17399&size=300x300&key=375fef8036b0983f&nocache=yes&ty ...

http://frj123.com/bbs/forum.php?mod=image&aid=17399&size=300x300&key=375fef8036b0983f&nocache=yes&ty ...

照片 034.jpg (294.19 KB, 下载次数: 1433)

http://frj123.com/bbs/forum.php?mod=image&aid=17399&size=300x300&key=375fef8036b0983f&nocache=yes&ty ...

http://frj123.com/bbs/forum.php?mod=image&aid=17399&size=300x300&key=375fef8036b0983f&nocache=yes&ty ...

照片 033.jpg (280.52 KB, 下载次数: 1453)

http://frj123.com/bbs/forum.php?mod=image&aid=17399&size=300x300&key=375fef8036b0983f&nocache=yes&ty ...

http://frj123.com/bbs/forum.php?mod=image&aid=17399&size=300x300&key=375fef8036b0983f&nocache=yes&ty ...

照片 032.jpg (454.79 KB, 下载次数: 1418)

http://frj123.com/bbs/forum.php?mod=image&aid=17399&size=300x300&key=375fef8036b0983f&nocache=yes&ty ...

http://frj123.com/bbs/forum.php?mod=image&aid=17399&size=300x300&key=375fef8036b0983f&nocache=yes&ty ...

照片 031.jpg (375.27 KB, 下载次数: 1368)

http://frj123.com/bbs/forum.php?mod=image&aid=17399&size=300x300&key=375fef8036b0983f&nocache=yes&ty ...

http://frj123.com/bbs/forum.php?mod=image&aid=17399&size=300x300&key=375fef8036b0983f&nocache=yes&ty ...

照片 030.jpg (266 KB, 下载次数: 1449)

http://frj123.com/bbs/forum.php?mod=image&aid=17399&size=300x300&key=375fef8036b0983f&nocache=yes&ty ...

http://frj123.com/bbs/forum.php?mod=image&aid=17399&size=300x300&key=375fef8036b0983f&nocache=yes&ty ...

照片 029.jpg (319.84 KB, 下载次数: 1498)

http://frj123.com/bbs/forum.php?mod=image&aid=17399&size=300x300&key=375fef8036b0983f&nocache=yes&ty ...

http://frj123.com/bbs/forum.php?mod=image&aid=17399&size=300x300&key=375fef8036b0983f&nocache=yes&ty ...

照片 028.jpg (342.52 KB, 下载次数: 1487)

http://frj123.com/bbs/forum.php?mod=image&aid=17399&size=300x300&key=375fef8036b0983f&nocache=yes&ty ...

http://frj123.com/bbs/forum.php?mod=image&aid=17399&size=300x300&key=375fef8036b0983f&nocache=yes&ty ...

照片 027.jpg (349.96 KB, 下载次数: 1343)

http://frj123.com/bbs/forum.php?mod=image&aid=17399&size=300x300&key=375fef8036b0983f&nocache=yes&ty ...

http://frj123.com/bbs/forum.php?mod=image&aid=17399&size=300x300&key=375fef8036b0983f&nocache=yes&ty ...

照片 026.jpg (289.97 KB, 下载次数: 1463)

http://frj123.com/bbs/forum.php?mod=image&aid=17399&size=300x300&key=375fef8036b0983f&nocache=yes&ty ...

http://frj123.com/bbs/forum.php?mod=image&aid=17399&size=300x300&key=375fef8036b0983f&nocache=yes&ty ...

照片 025.jpg (326.89 KB, 下载次数: 1337)

http://frj123.com/bbs/forum.php?mod=image&aid=17399&size=300x300&key=375fef8036b0983f&nocache=yes&ty ...

http://frj123.com/bbs/forum.php?mod=image&aid=17399&size=300x300&key=375fef8036b0983f&nocache=yes&ty ...

照片 024.jpg (286.03 KB, 下载次数: 1332)

http://frj123.com/bbs/forum.php?mod=image&aid=17399&size=300x300&key=375fef8036b0983f&nocache=yes&ty ...

http://frj123.com/bbs/forum.php?mod=image&aid=17399&size=300x300&key=375fef8036b0983f&nocache=yes&ty ...

照片 023.jpg (274.7 KB, 下载次数: 1455)

http://frj123.com/bbs/forum.php?mod=image&aid=17399&size=300x300&key=375fef8036b0983f&nocache=yes&ty ...

http://frj123.com/bbs/forum.php?mod=image&aid=17399&size=300x300&key=375fef8036b0983f&nocache=yes&ty ...

照片 022.jpg (258 KB, 下载次数: 1396)

http://frj123.com/bbs/forum.php?mod=image&aid=17399&size=300x300&key=375fef8036b0983f&nocache=yes&ty ...

http://frj123.com/bbs/forum.php?mod=image&aid=17399&size=300x300&key=375fef8036b0983f&nocache=yes&ty ...

照片 021.jpg (310.26 KB, 下载次数: 1399)

http://frj123.com/bbs/forum.php?mod=image&aid=17399&size=300x300&key=375fef8036b0983f&nocache=yes&ty ...

http://frj123.com/bbs/forum.php?mod=image&aid=17399&size=300x300&key=375fef8036b0983f&nocache=yes&ty ...

照片 020.jpg (394.57 KB, 下载次数: 1464)

http://frj123.com/bbs/forum.php?mod=image&aid=17399&size=300x300&key=375fef8036b0983f&nocache=yes&ty ...

http://frj123.com/bbs/forum.php?mod=image&aid=17399&size=300x300&key=375fef8036b0983f&nocache=yes&ty ...

照片 019.jpg (453.78 KB, 下载次数: 1483)

http://frj123.com/bbs/forum.php?mod=image&aid=17399&size=300x300&key=375fef8036b0983f&nocache=yes&ty ...

http://frj123.com/bbs/forum.php?mod=image&aid=17399&size=300x300&key=375fef8036b0983f&nocache=yes&ty ...

照片 018.jpg (435.19 KB, 下载次数: 1427)

http://frj123.com/bbs/forum.php?mod=image&aid=17399&size=300x300&key=375fef8036b0983f&nocache=yes&ty ...

http://frj123.com/bbs/forum.php?mod=image&aid=17399&size=300x300&key=375fef8036b0983f&nocache=yes&ty ...

照片 017.jpg (425.87 KB, 下载次数: 1340)

http://frj123.com/bbs/forum.php?mod=image&aid=17399&size=300x300&key=375fef8036b0983f&nocache=yes&ty ...

http://frj123.com/bbs/forum.php?mod=image&aid=17399&size=300x300&key=375fef8036b0983f&nocache=yes&ty ...

照片 017.jpg (425.87 KB, 下载次数: 1338)

http://frj123.com/bbs/forum.php?mod=image&aid=17399&size=300x300&key=375fef8036b0983f&nocache=yes&ty ...

http://frj123.com/bbs/forum.php?mod=image&aid=17399&size=300x300&key=375fef8036b0983f&nocache=yes&ty ...

照片 016.jpg (376.7 KB, 下载次数: 1379)

http://frj123.com/bbs/forum.php?mod=image&aid=17399&size=300x300&key=375fef8036b0983f&nocache=yes&ty ...

http://frj123.com/bbs/forum.php?mod=image&aid=17399&size=300x300&key=375fef8036b0983f&nocache=yes&ty ...

照片 015.jpg (320.33 KB, 下载次数: 1368)

http://frj123.com/bbs/forum.php?mod=image&aid=17399&size=300x300&key=375fef8036b0983f&nocache=yes&ty ...

http://frj123.com/bbs/forum.php?mod=image&aid=17399&size=300x300&key=375fef8036b0983f&nocache=yes&ty ...

照片 014.jpg (240.25 KB, 下载次数: 1295)

http://frj123.com/bbs/forum.php?mod=image&aid=17399&size=300x300&key=375fef8036b0983f&nocache=yes&ty ...

http://frj123.com/bbs/forum.php?mod=image&aid=17399&size=300x300&key=375fef8036b0983f&nocache=yes&ty ...

照片 013.jpg (287.96 KB, 下载次数: 1436)

http://frj123.com/bbs/forum.php?mod=image&aid=17399&size=300x300&key=375fef8036b0983f&nocache=yes&ty ...

http://frj123.com/bbs/forum.php?mod=image&aid=17399&size=300x300&key=375fef8036b0983f&nocache=yes&ty ...

照片 012.jpg (296.18 KB, 下载次数: 1397)

http://frj123.com/bbs/forum.php?mod=image&aid=17399&size=300x300&key=375fef8036b0983f&nocache=yes&ty ...

http://frj123.com/bbs/forum.php?mod=image&aid=17399&size=300x300&key=375fef8036b0983f&nocache=yes&ty ...

照片 011.jpg (381.85 KB, 下载次数: 1387)

http://frj123.com/bbs/forum.php?mod=image&aid=17399&size=300x300&key=375fef8036b0983f&nocache=yes&ty ...

http://frj123.com/bbs/forum.php?mod=image&aid=17399&size=300x300&key=375fef8036b0983f&nocache=yes&ty ...

照片 010.jpg (484.38 KB, 下载次数: 1322)

http://frj123.com/bbs/forum.php?mod=image&aid=17399&size=300x300&key=375fef8036b0983f&nocache=yes&ty ...

http://frj123.com/bbs/forum.php?mod=image&aid=17399&size=300x300&key=375fef8036b0983f&nocache=yes&ty ...

照片 009.jpg (379.12 KB, 下载次数: 1499)

http://frj123.com/bbs/forum.php?mod=image&aid=17399&size=300x300&key=375fef8036b0983f&nocache=yes&ty ...

http://frj123.com/bbs/forum.php?mod=image&aid=17399&size=300x300&key=375fef8036b0983f&nocache=yes&ty ...

照片 007.jpg (290.8 KB, 下载次数: 1553)

http://frj123.com/bbs/forum.php?mod=image&aid=17399&size=300x300&key=375fef8036b0983f&nocache=yes&ty ...

http://frj123.com/bbs/forum.php?mod=image&aid=17399&size=300x300&key=375fef8036b0983f&nocache=yes&ty ...

照片 007.jpg (290.8 KB, 下载次数: 1419)

http://frj123.com/bbs/forum.php?mod=image&aid=17399&size=300x300&key=375fef8036b0983f&nocache=yes&ty ...

http://frj123.com/bbs/forum.php?mod=image&aid=17399&size=300x300&key=375fef8036b0983f&nocache=yes&ty ...

照片 006.jpg (415.73 KB, 下载次数: 1370)

http://frj123.com/bbs/forum.php?mod=image&aid=17399&size=300x300&key=375fef8036b0983f&nocache=yes&ty ...

http://frj123.com/bbs/forum.php?mod=image&aid=17399&size=300x300&key=375fef8036b0983f&nocache=yes&ty ...

照片 005.jpg (416.64 KB, 下载次数: 1359)

http://frj123.com/bbs/forum.php?mod=image&aid=17399&size=300x300&key=375fef8036b0983f&nocache=yes&ty ...

http://frj123.com/bbs/forum.php?mod=image&aid=17399&size=300x300&key=375fef8036b0983f&nocache=yes&ty ...

照片 004.jpg (315.38 KB, 下载次数: 1277)

http://frj123.com/bbs/forum.php?mod=image&aid=17399&size=300x300&key=375fef8036b0983f&nocache=yes&ty ...

http://frj123.com/bbs/forum.php?mod=image&aid=17399&size=300x300&key=375fef8036b0983f&nocache=yes&ty ...

照片 003.jpg (274.13 KB, 下载次数: 1463)

http://frj123.com/bbs/forum.php?mod=image&aid=17399&size=300x300&key=375fef8036b0983f&nocache=yes&ty ...

http://frj123.com/bbs/forum.php?mod=image&aid=17399&size=300x300&key=375fef8036b0983f&nocache=yes&ty ...

照片 002.jpg (331.78 KB, 下载次数: 1378)

http://frj123.com/bbs/forum.php?mod=image&aid=17399&size=300x300&key=375fef8036b0983f&nocache=yes&ty ...

http://frj123.com/bbs/forum.php?mod=image&aid=17399&size=300x300&key=375fef8036b0983f&nocache=yes&ty ...

照片 001.jpg (369.57 KB, 下载次数: 1341)

http://frj123.com/bbs/forum.php?mod=image&aid=17399&size=300x300&key=375fef8036b0983f&nocache=yes&ty ...

http://frj123.com/bbs/forum.php?mod=image&aid=17399&size=300x300&key=375fef8036b0983f&nocache=yes&ty ...

重机圆头眼MEB-3810使用说明书.pdf

7.67 MB, 下载次数: 1, 下载积分: 联盟金 -100

重机圆头眼MEB-3810使用说明书.pdf

回复

使用道具 举报

2#
发表于 2014-6-1 10:47:42 | 只看该作者
非常感谢!好资料!
回复 支持 反对

使用道具 举报

3#
发表于 2014-6-1 15:36:59 | 只看该作者
感谢分享
回复 支持 反对

使用道具 举报

您需要登录后才可以回帖 登录 | 立即注册

本版积分规则

QQ|小黑屋|手机论坛|Archiver|缝纫客,工业缝纫机维修问答

GMT+8, 2025-11-14 16:57 , Processed in 0.124856 second(s), 10 queries , File On.

Powered by Discuz! X3.3

© 2001-2017 Comsenz Inc.

快速回复 返回顶部 返回列表